


電動法蘭蝶閥

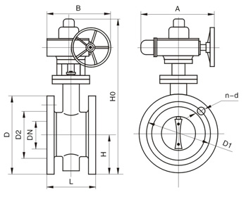
| 公稱 | L | 1.0MPa | 1.6MPa | ||||
| D | D1 | n-do | D | D1 | n-do | ||
| 50 | 108 | 165 | 125 | 4-18 | 165 | 125 | 4-18 |
| 65 | 112 | 185 | 145 | 4-18 | 185 | 145 | 4-18 |
| 80 | 114 | 200 | 160 | 8-18 | 200 | 160 | 8-18 |
| 100 | 127 | 220 | 180 | 8-18 | 220 | 180 | 8-18 |
| 125 | 140 | 250 | 210 | 8-18 | 250 | 210 | 8-18 |
| 150 | 140 | 285 | 240 | 8-22 | 285 | 240 | 8-22 |
| 200 | 152 | 340 | 295 | 8-22 | 340 | 295 | 12-22 |
| 250 | 165 | 395 | 350 | 12-22 | 405 | 355 | 12-26 |
| 300 | 178 | 445 | 400 | 12-22 | 460 | 410 | 12-26 |
| 350 | 190 | 505 | 460 | 16-22 | 520 | 470 | 16-26 |
| 400 | 216 | 565 | 515 | 16-26 | 580 | 525 | 16-30 |
| 450 | 222 | 615 | 565 | 20-26 | 640 | 585 | 20-30 |
| 500 | 229 | 670 | 620 | 20-26 | 710 | 650 | 20-33 |
| 600 | 267 | 780 | 725 | 20-30 | 840 | 770 | 20-36 |
| 700 | 292 | 895 | 840 | 24-30 | 910 | 840 | 24-36 |
不斷提升服務質量,精益求精,“真誠的服務”是嘉德永恒的主題。嘉德嚴格按照 ISO9001-2000 質量體系認證要求,質量嚴格把關,責任到人,確保生產、銷售、服務的健康運行。加強與用戶溝通,竭誠為廣大客戶提供優質產品,至善至美服務,特此我廠做出如下承諾:
產品嚴格按照中國 GB、HG 標準和美國 API 等標準設計、制造、驗收。密封面硬度達到國家規定要求,寬度超過國家標準。
產品介紹,技術交流,非標產品設計,疑難解答。
守信合同,保證及時供貨,隨時保持與客戶聯系。
對特殊或復雜的產品,我廠安排技術人員對用戶進行產品使用、故障排除、調式及維修進行培訓和指導。
嘉德產品質保期為自出廠起 12 個月,實行“三包”服務(包退、包換、包修)。
產品在使用中我廠定期組織技術、檢查人員進行訪問,征詢用戶對產品質量、使用狀況、改進意見等方面的反饋,以便進一步提高產品質量。
對用戶投訴產品質量問題,快速做出反映,售后服務人員在 24-36 小時(省外 48 小時)趕赴現場。
對售后服務,要求用戶填寫服務后的質量反饋表,并做出鑒定意見,一邊提高嘉德的服務質量。
客戶采購清單請傳真至 021-66525619,或來電咨詢 021-66528888 021-66520586 021-56037070。
收到客戶采購清單,為客戶提供閥門型號選型與報價(價格清單)。
具體商定:交貨期、特殊要求等事宜。
客戶對產品有特殊要求,須在訂貨合同中提供以下說明:
結構長度
連接形式
公稱直徑、全通徑、縮徑、管道尺寸
運用介質及溫度、壓力范圍
實驗、檢驗標準及其他要求
本場可根據客戶特殊要求配置各類驅動裝置。
如由客戶提供確定的閥門類型和型號時,客戶應正確說明其型號的含義和要求,在供需雙方理解一致的條件下簽訂合同。


