


電動不銹鋼法蘭蝶閥
◆用途與特點:
軟密封蝶閥適用于溫度≤120℃,公稱壓力≤1.6MPa的食品、醫藥、化工、石油、電力、冶金、城建、輕紡、造紙等給排水、氣體管道上作調節流量和截流介質的作用。其主要特點為:
1.設計精巧、合理、結構獨特,重量輕,啟閉迅速。
2.操力矩小,操作方便,省力靈巧。
3.可以任意位置安裝、維修方便。
5.密封材料耐老化、耐腐蝕、使用壽命長等特點。
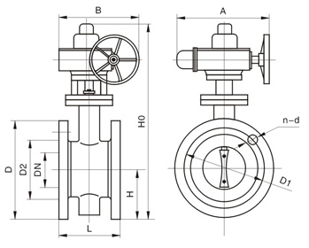
◆D341X型外形尺寸:
| 公稱壓力 PN(MPa) | 公稱通徑 DN(mm) | L | D1 | D | Z-Φd | H | H0 | A1 | B | D0 | 重量 Kg |
| 1.0 | 50 | 108 | 125 | 165 | 4-Φ18 | 82.5 | 310 | 125 | 193 | 150 | 13 |
| 65 | 102 | 145 | 185 | 4-Φ18 | 92.5 | 333 | 125 | 193 | 150 | 14 | |
| 82 | 114 | 160 | 200 | 8-Φ18 | 100 | 423 | 125 | 193 | 150 | 15.5 | |
| 100 | 127 | 180 | 220 | 8-Φ18 | 110 | 440 | 125 | 193 | 150 | 19.5 | |
| 125 | 140 | 210 | 250 | 8-Φ18 | 125 | 455 | 125 | 193 | 150 | 25.5 | |
| 150 | 140 | 240 | 285 | 8-Φ22 | 142.5 | 510 | 125 | 193 | 150 | 28.5 | |
| 200 | 152 | 295 | 340 | 8-Φ22 | 170 | 614 | 165 | 283 | 220 | 48 | |
| 250 | 165 | 350 | 395 | 12-Φ22 | 197.5 | 680 | 165 | 283 | 220 | 69 | |
| 300 | 178 | 400 | 445 | 12-Φ22 | 222.5 | 776 | 175 | 334 | 280 | 91 | |
| 1.6 | 50 | 108 | 125 | 165 | 4-Φ18 | 112 | 260 | 200 | 200 | 160 | 30 |
| 65 | 102 | 145 | 185 | 4-Φ18 | 115 | 280 | 200 | 200 | 160 | 37 | |
| 80 | 114 | 160 | 200 | 8-Φ18 | 120 | 355 | 220 | 200 | 160 | 45 | |
| 100 | 127 | 180 | 220 | 8-Φ18 | 138 | 390 | 220 | 200 | 160 | 72 | |
| 125 | 140 | 210 | 250 | 8-Φ18 | 164 | 490 | 220 | 200 | 160 | 105 | |
| 150 | 140 | 240 | 285 | 8-Φ22 | 175 | 630 | 300 | 280 | 240 | 115 | |
| 200 | 152 | 295 | 340 | 12-Φ22 | 208 | 690 | 300 | 280 | 240 | 160 | |
| 250 | 165 | 355 | 405 | 12-Φ26 | 243 | 830 | 300 | 280 | 240 | 220 | |
| 300 | 178 | 410 | 460 | 12-Φ26 | 283 | 930 | 440 | 420 | 310 | 260 |
不斷提升服務質量,精益求精,“真誠的服務”是嘉德永恒的主題。嘉德嚴格按照 ISO9001-2000 質量體系認證要求,質量嚴格把關,責任到人,確保生產、銷售、服務的健康運行。加強與用戶溝通,竭誠為廣大客戶提供優質產品,至善至美服務,特此我廠做出如下承諾:
產品嚴格按照中國 GB、HG 標準和美國 API 等標準設計、制造、驗收。密封面硬度達到國家規定要求,寬度超過國家標準。
產品介紹,技術交流,非標產品設計,疑難解答。
守信合同,保證及時供貨,隨時保持與客戶聯系。
對特殊或復雜的產品,我廠安排技術人員對用戶進行產品使用、故障排除、調式及維修進行培訓和指導。
嘉德產品質保期為自出廠起 12 個月,實行“三包”服務(包退、包換、包修)。
產品在使用中我廠定期組織技術、檢查人員進行訪問,征詢用戶對產品質量、使用狀況、改進意見等方面的反饋,以便進一步提高產品質量。
對用戶投訴產品質量問題,快速做出反映,售后服務人員在 24-36 小時(省外 48 小時)趕赴現場。
對售后服務,要求用戶填寫服務后的質量反饋表,并做出鑒定意見,一邊提高嘉德的服務質量。
客戶采購清單請傳真至 021-66525619,或來電咨詢 021-66528888 021-66520586 021-56037070。
收到客戶采購清單,為客戶提供閥門型號選型與報價(價格清單)。
具體商定:交貨期、特殊要求等事宜。
客戶對產品有特殊要求,須在訂貨合同中提供以下說明:
結構長度
連接形式
公稱直徑、全通徑、縮徑、管道尺寸
運用介質及溫度、壓力范圍
實驗、檢驗標準及其他要求
本場可根據客戶特殊要求配置各類驅動裝置。
如由客戶提供確定的閥門類型和型號時,客戶應正確說明其型號的含義和要求,在供需雙方理解一致的條件下簽訂合同。


